
海康智能讀碼器采用多款圖像質量優異的工業級Sensor,結合機器視覺的條碼識別技術,同時搭載高性能嵌入式處理平臺,實現出色的解碼效果。可應用于3C電子、汽車零部件、食藥品包裝、物流等自動化領域。
海康機器人智能讀碼器使用自研算法,產品尺寸適用于各種場景,全部產品讀碼時間低至毫秒,最大像素分辨率可達2000萬。ID讀碼器種類豐富,滿足客戶的各種需求。

三、選型指南
智能讀碼器系列產品包含固定式讀碼器,嵌入式讀碼模組和手持類產品體系全面。針對工業,物流,消費,醫療,3C等行業都推出了相應的產品,滿足了各個場景,各類讀碼需求。

1、海康讀碼器ID2000系列介紹
一款小型固定式工業讀碼器,尺寸做到46mm×25mm×38mm,在如此小巧的尺寸內,我們同樣保證到了優質圖像和高效識別的性能,可完美嵌入自動化機臺設備,以及其他自動化流水線近距離讀碼應用。

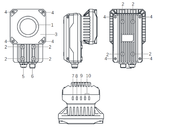
小尺寸:ID2000系列讀碼器,機身尺寸僅為46mm×25mm×38mm,內部設計4顆粒紅色LED光源及2個綠色瞄準器,提供均勻的圖像照明。支持側面、背面兩種安裝方式,可占用最小的安裝空間。
40mm-120mm對焦范圍背面調焦旋鈕,無極調節。可靠的讀碼性能
支持識別多種碼制的一二維碼和鐳雕、噴墨等類型的DPM碼,解碼幀率最大達到20fps,讀碼速度最快可至45個碼/秒,提供高效可靠的讀碼性能。
2、海康智能讀碼器ID3000系列介紹
一款緊湊型固定式工業讀碼器,基于嵌入式深度學習平臺,采用模塊化設計,讀碼效果出色,加上IP67防護等級,可廣泛地應用在工業自動化讀碼場景。


模塊化設計:ID3000系列的光源、鏡頭等模塊選擇豐富,切換簡便,可確保達到最優的圖像照明效果,以及可適應不同工作距離和視野的要求,滿足各種復雜工況應用
安裝調試簡便: 尺寸小巧,65.2mm×65.2mm×42mm外部調焦旋鈕,便于成像調試
高速采集: 0.4MP和1.6MP像素分辨率,幀率分別可達 60fps 和 50fps
出色的讀碼效果:搭載專用深度學習硬核的系統芯片(Soc),具有強大的計算能力和更低的能耗比。ID3000系列既有高速的識別效率,對標簽紙、不同材質DPM類條碼同樣具有穩定的識別能力
狀態可視化:ID3000系列設計了多組指示燈,可快速獲知產品狀態。頂部環形指示燈,附帶防水調試按鈕,雙邊側腰線讀碼結果指示燈,實時狀態多角度可視。
3、海康讀碼器ID5000系列介紹
一款全功能型固定式工業讀碼器,基于高性能多核深度學習核心處理器,帶來強悍的讀碼性能和超大視野范圍覆蓋。ID5000系列配有機械調焦鏡頭以及豐富配件,可快速完成調試,同時達到IP67的防護等級,適應于工業自動化讀碼各種復雜應用。


產品特點:
強悍性能:高性能多核深度學習處理器,可達到超高幀率;強大的解碼算法支持識別不同材質的DPM碼、有效應對條碼受損、低對比度、印刷質量差等復雜情況
靈活性高: 無光源,可搭配多型號C口鏡頭;聚焦范圍廣,適應各個安裝距離
高精度大視野:分辨率覆蓋1.6MP~12MP,實現超高精度和超大的視野范圍,輕松識別小型的條碼,單臺可實現原先多臺讀碼器的覆蓋范圍,使復雜系統更加簡易化。
機械調焦:搭配IDMVS客戶端,一鍵控制實現機械調焦:調節過程中,內部圖像算法進行清晰度評分并同時自動調節焦距,直至圖像清晰度評分高于算法閾值。
4、海康手持讀碼器系列介紹
可完成條碼靜態掃描、信息顯示、數據傳輸等功能。主要應應用制造業產線。

產品特點:
全自主知識產權算法:算法自主知識產權;平臺性能越強,讀碼性能越好。深度學習的算法。
支持工業協議通信:網口型號,支持工業通信協議。雙色補光,紅色和白色,讀碼場景適應性更強。批量讀碼(如1包多標簽)、連續讀碼功能。
5、海康IDP系列PDA介紹
智能手持終端,基于自主研發的ID1000的模組和自主研發條形碼算法,助力各個行業客戶場景應用落地

成本優勢:全自主研發ID1000系列讀碼模組,采用高性價比的sensor,依托自有產線進行生產
讀碼算法性能優勢:全自主研發算法,針對污損、破損、褶皺等二維碼有著卓越的解碼性能。產品算法持續迭代,針對新打碼工藝升級也能很好支撐
二次開發:提供SDK文檔,可以方便客戶進行二次開發。
針對醫療包裝、內物流等1包多場景,需要進行快速連續讀碼。針對包裝、內物流等多碼場景,精準掃碼讓讀碼更有針對性。
廣州艾韋迅科技是海康威視旗下的海康機器人HikRobot海康智能讀碼器/工業相機經銷商,供應海康掃描槍ID2000、ID3000、ID5000、ID6000等系列全部型號,海康威視讀碼器同時為 為電子、物流、FPD顯示屏、半導體、汽車制造等領域提供專業機器視覺解決方案,海康工業讀碼器助力用戶快速準確實現工業自動化。